6C33CーB アンプ計画 (30)

    6BQ5アンプの二号機を考える。終段をフルスイングする工夫が必要だ。高耐圧のPNPトランジスタを間に入れて見る。シミュレーターでは上手くいっている。

 

f:id:hohon77:20171006044038g:image

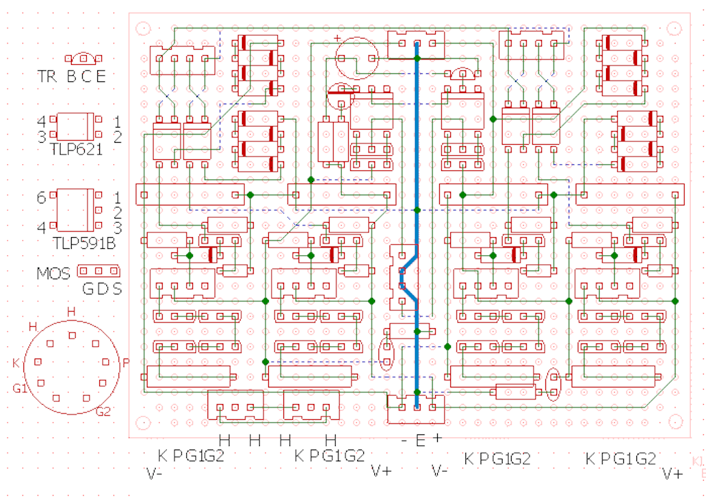
  基板のパターンはまるでタペストリーのようだ。

 f:id:hohon77:20171007102011g:image

  真空管側の基板だけ交換すれば良い。

 

f:id:hohon77:20171006044120j:image