ZDR

ZERO和アンプ(3)

ZDR

作ろうとする回路 勿論これも替え玉である。

ZERO和アンプ(2)

ZDR

逆正接関数で付加した歪みがZDRで消去される所を見る。 DC解析で歪んでいる状況を確認する。 前回の回路を通すとこのように大体直線化する。

ZERO和アンプ(1)

ZDR

今日新元号が決まったので令和の時代に相応しいアンプを考えた。ZEROをプラスするつまり付け加えられた歪みをそのまま引くという仕掛けのアンプである。

Logic ZDRの実験 (2)

ZDR

取り敢えずこのような構成で進んでみる。 反転バッファの部分をゲイン1にするには6パラが必要だ。

Logic ZDRの実験 (1)

ZDR

ZDRは足し算、引き算で誤差を打ち消す仕組みである。 電子部品で書くとこうなる。 このように直線化している。CーMOSロジックICで実験してみよう。

ZDRアンプ(7)

ZDR

よりシンプルな回路を試してみる。 これもゲインを上げて行くとアイドリングが増加してオフセットが過大になるようだ。理由はよくわからない。特性を取ると割と低歪みである。

ZDRアンプ(6)

ZDR

実際に組んでみた。 発振しているのかHCA部のゲインを下げないとうまく動作しない。出力は極小になる。次の方法を考える。

ZDRアンプ(5)

ZDR

HCA回路を反転バッファに見立ててZDR回路を構成する。 このように直線化する。 オペアンプを使って構成する。 ゲイン1に調整する。 このように出力インピーダンスが下がる。

ZDRアンプ(4)

ZDR

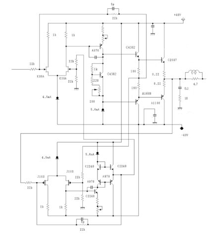
パワーアンプを作った。 特性はそれほど良くは無い。

ZDRアンプ (3)

ZDR

Differential line recievers というICを使えばまんまZDR回路が付加される。 これは音といい性能といいとんでもない傑作だと思う。 ボストンの一作目”More than feeling” と二作目 ”Don’t look back” の音場構成の圧倒的な差はこのくらいのシステムでないと…

ZDRアンプ(2)

ZDR

実際にヘッドホンアンプを作ってみる。オペアンプの場合、反転アンプの方が扱いやすいのでこうなっている。 ノーマル ZDR このように歪みが改善する。 左は負性インピーダンスHCAアンプ、右がZDRアンプである。どちらも常識を遥かに超える境地に達している。

ZDRアンプ(1)

ZDR

写真は1982年にヤマハから発売されたBー50である。ZDR回路が使われている。 このような仕組みにより終段で発生した歪みが無かったことになると言う。本当かどうかはシミュレーターで確かめることができる。 このように直線化するがゲイン=1の世界なのでNFB…