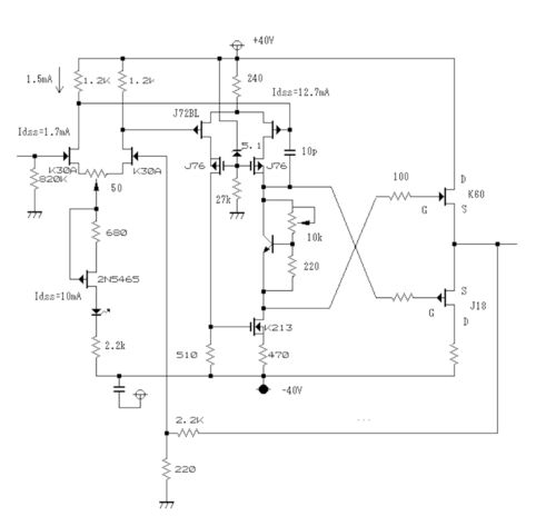
某月某日 終段石を取り外して眠っていたTAー4650を復活させるために総力を挙げて取り組むことにした。取り外す前はちゃんと音が出ていたが時折ガサガサというノイズがのる状態だった。 このK60とJ18を使ってスケルトン2というアンプを2007年に作った。金田式…
引用をストックしました
引用するにはまずログインしてください
引用をストックできませんでした。再度お試しください
限定公開記事のため引用できません。