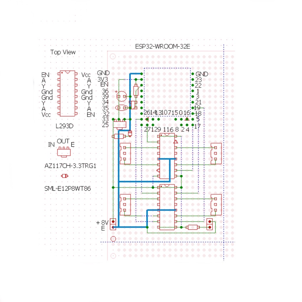
2025-03-18 ESP32-WROOM-32Eで電子工作(6) メカナムホイール車も一体基板化した。 動画https://youtu.be/_BrvTek4fhY?si=wWewHXedRDjf1uF-