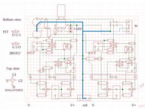
もう一台作ってみる。最初に書くのは基板図でその後に回路図ができる。 この二つの図は随時更新されている。
引用をストックしました
引用するにはまずログインしてください
引用をストックできませんでした。再度お試しください
限定公開記事のため引用できません。