CR型イコライザー III (3)

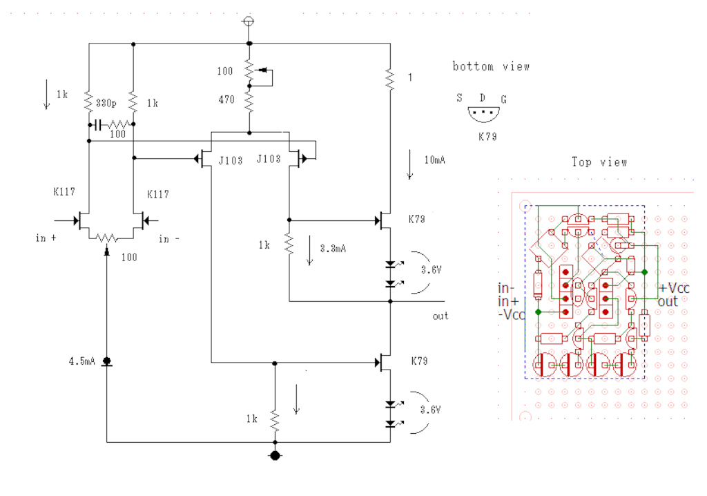
   SITのDCアンプを載せてみる。

 

f:id:hohon77:20170507055934j:image

 

f:id:hohon77:20170507055902g:image

 

f:id:hohon77:20170507055906g:image

     ふわりとした音になる。強靭さではバイポーラが良く、シャープさではデュアルゲートMOSが優っている。