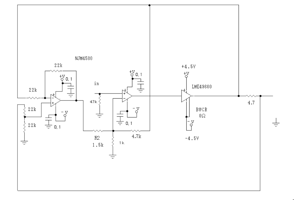
この方式で作った最初のアンプ。負性インピーダンスである事が実測できる。
引用をストックしました
引用するにはまずログインしてください
引用をストックできませんでした。再度お試しください
限定公開記事のため引用できません。