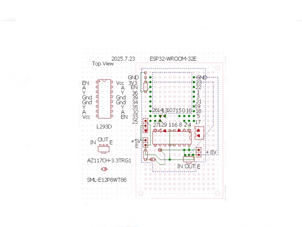
2025-08-04 Another ESP32 Steering Car ESP32 探査車製作計画 ちょっと違ったステアリング機構を作ってみた。 電源と基板は前回のと共有している。 動画https://youtu.be/v1F60LFeZdc?si=wep2LulXDftar0_d