RIAA Filter (1)

   音楽ファンならヘッドホンアンプの二つや三つくらい持っているのでは無いだろうか。

 

f:id:hohon77:20170520231202j:image

 

  ゲインを調べてみると左から16dB、10dB、6dBだった。40dBあるとCR型イコライザーに最適なのだが仕方が無い。

 

f:id:hohon77:20170520231411g:image

 

f:id:hohon77:20170520231418g:image

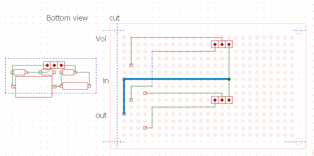
 このようなフィルターを組んで実験してみる。